
Wał Korbowy Standard Peugeot Stojący | WAJ6030018
SKU: L16448
434,39 zł
Najniższa cena z 30 dni: 434,39 zł
Dostępny(9 szt.)(sprawdzanie...)
Wysyłka: 2-3 dni roboczych
najpóźniej wtorek, 5 maja (po złożeniu zamówienia dzisiaj)
Opis produktu
wał korbowy
top racing 2t 50 ccm standard peugeot buxy speedfight traker stojący
kod produktu: waj6030018
charakterystyka
produktu:
·
wał karbowy
top racing/jasil do silników 2t 50 ccm
·
najwyższej
jakości zamiennik, niczym nie odbiegający od części oryginalnej
·
łożysko główki
korbowodu - 12x15x15 mm
·
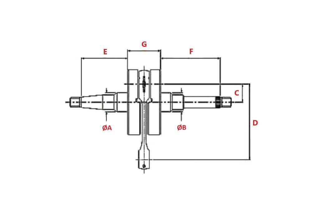
wymiary:
a - 20,00 mm
b - 20,00 mm
c - 20,00 mm
d - 80,00 mm
e - 70,00 mm
f - 89,00 mm
g - 43,00 mm
·
wyprodukowana
według standardów jakości iso
zastosowanie: peugeot buxy, elyseo, elyster,
looxor, speedake, speedfight, squab, sv, trekker, vivacity, zenith szczegóły w zakładce „pasuje
do” i tabelce poniżej
jasil to portugalska firma zajmująca się obróbką metali,
której główną działalnością jest produkcja części i akcesoriów do motocykli i
skuterów. 70 lat doświadczenia oraz dążenie do doskonałości, jest efektem
stałych inwestycji w nowe technologie, rozwój nowych produktów, dbałość o
jakość z koncentracją na końcowym odbiorcy
Wał Korbowy Standard Peugeot Stojący | WAJ6030018
Specyfikacja
SKUL16448
KategoriaWały kardana do motocykli
Podmiot odpowiedzialny / do pobrania
Zgodnie z rozporządzeniem UE 2023/988 (GPSR) dla tego produktu wskazujemy podmiot gospodarczy odpowiedzialny w UE. Pełne dane kontaktowe dostępne po kliknięciu poniżej.
Ładowanie opinii...











