
Wał Korbowy 10mm Minarelli Horizontal Leżące
SKU: L2864A
550,79 zł
Najniższa cena z 30 dni: 550,79 zł
Dostępny(9 szt.)(sprawdzanie...)
Wysyłka: 1-2 dni roboczych
najpóźniej poniedziałek, 4 maja (po złożeniu zamówienia dzisiaj)
Opis produktu
wał korbowy
top racing evolution 2t 50 ccm malaguti f10 minarelli leżące 10mm
kod produktu: waj6034001
charakterystyka
produktu:
·
wał karbowy
top racing/jasil do silników 2t 50 ccm
·
najwyższej
jakości zamiennik, niczym nie odbiegający od części oryginalnej
·
łożysko
sworznia tłokowego - 10x14x13 mm
·
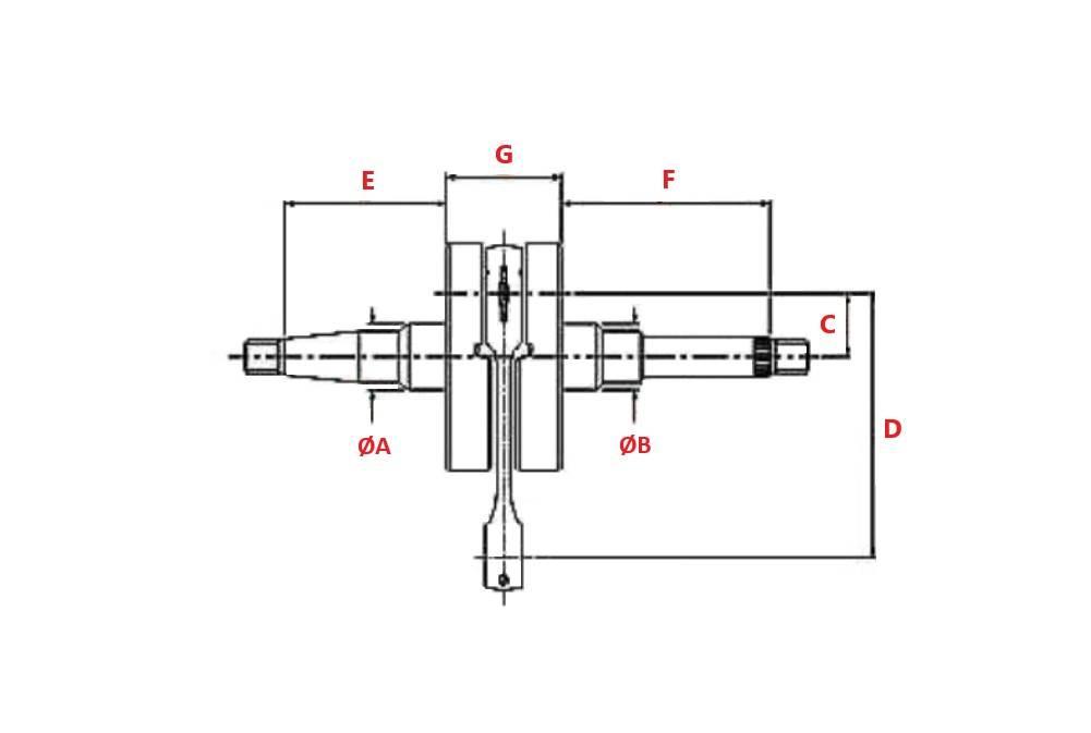
wymiary:
a - 20,00 mm
b - 20,00 mm
c - 19,60 mm
d - 80,00 mm
e - 79,70 mm
f - 94,50 mm
g - 37,95 mm
·
wyprodukowana
według standardów jakości iso
zastosowanie: aprilia, atala, benelli, beta,
cpi, derbi, italjet, kreidler, ktm, malaguti, mbk, motron, rex, rirju, yamaha szczegóły w zakładce „pasuje
do” i tabelce poniżej
jasil to portugalska firma zajmująca się obróbką metali,
której główną działalnością jest produkcja części i akcesoriów do motocykli i
skuterów. 70 lat doświadczenia oraz dążenie do doskonałości, jest efektem
stałych inwestycji w nowe technologie, rozwój nowych produktów, dbałość o
jakość z koncentracją na końcowym odbiorcy
Wał Korbowy 10mm Minarelli Horizontal Leżące
Specyfikacja
SKUL2864A
KategoriaWały kardana do motocykli
Podmiot odpowiedzialny / do pobrania
Motor-Land Spółka z ograniczoną odpowiedzialnością
Motor-Land Spółka z ograniczoną odpowiedzialnością
Kolejowa 362/364, 05-092 Dziekanów Nowy (PL)
Ładowanie opinii...











