
Wał Korbowy Evolution Cpi Popcorn Tłok O12
SKU: L15485
586,79 zł
Najniższa cena z 30 dni: 586,79 zł
Dostępny(7 szt.)(sprawdzanie...)
Wysyłka: 1-2 dni roboczych
najpóźniej poniedziałek, 4 maja (po złożeniu zamówienia dzisiaj)
Opis produktu
wał korbowy
top racing evolution 2t 50 ccm cpi
popcorn euro 2 tłok 12 mm
kod produktu:
waj603108
charakterystyka
produktu:
·
wał karbowy
top racing/jasil do silników 2t 50 ccm
·
evolution to najwyższy
model firmy top racing
·
najwyższej
jakości zamiennik, niczym nie odbiegający od części oryginalnej
·
łożysko
sworznia tłokowego - 12x16x16 mm
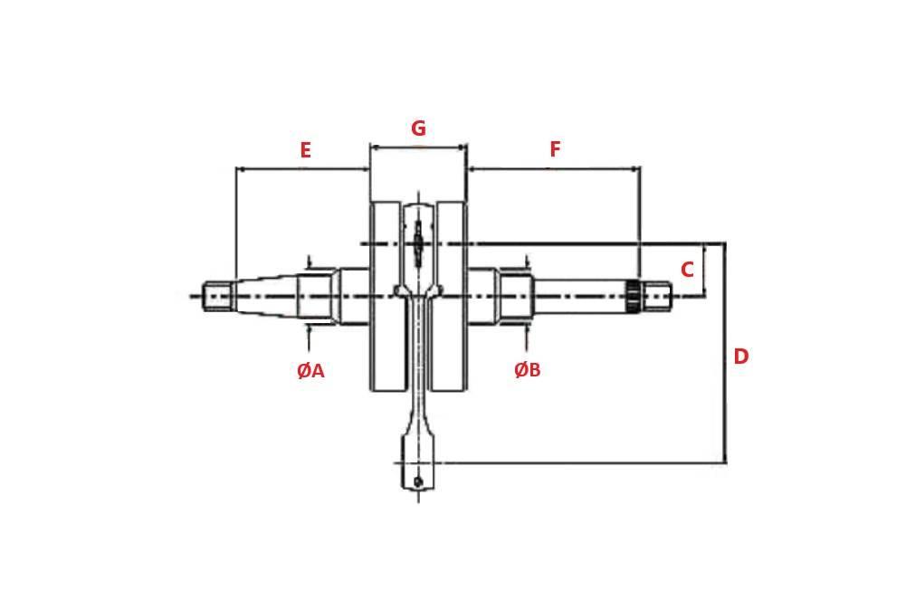
·
wymiary:
a - 20,00 mm
b - 20,00 mm
c - 19,60 mm
d - 80,00 mm
e - 75,50 mm
f - 95,50 mm
g - 38,00 mm
·
wyprodukowana
według standardów jakości iso
zastosowanie: n.g. cpi popcorn sworzen tłoka 12 szczegóły w zakładce „pasuje
do” i tabelce poniżej
jasil to portugalska firma zajmująca się obróbką metali,
której główną działalnością jest produkcja części i akcesoriów do motocykli i
skuterów. 70 lat doświadczenia oraz dążenie do doskonałości, jest efektem
stałych inwestycji w nowe technologie, rozwój nowych produktów, dbałość o
jakość z koncentracją na końcowym odbiorcy
Wał Korbowy Evolution Cpi Popcorn Tłok O12
Specyfikacja
SKUL15485
KategoriaWały kardana do motocykli
Podmiot odpowiedzialny / do pobrania
Motor-Land Spółka z ograniczoną odpowiedzialnością
Motor-Land Spółka z ograniczoną odpowiedzialnością
Kolejowa 362/364, 05-092 Dziekanów Nowy (PL)
Ładowanie opinii...











