
Wał Korbowy 16mm Top Racing Yamaha Dtr 125
SKU: L2911
975,59 zł
Najniższa cena z 30 dni: 975,59 zł
Dostępny(3 szt.)(sprawdzanie...)
Ostatnie 3 szt. na magazynie!
Wysyłka: 1-2 dni roboczych
najpóźniej poniedziałek, 4 maja (po złożeniu zamówienia dzisiaj)
Opis produktu
wał korbowy
motocyklowy top racing 2t 125 ccm yamaha dt125 dtr125 tzr125 sachs xtc125
kod produktu: waj6030096
charakterystyka
produktu:
·
wał karbowy
top racing/jasil do silników 2t 125 ccm
·
najwyższej
jakości zamiennik, niczym nie odbiegający od części oryginalnej
·
łożysko
sworznia tłokowego - 16x21x19,6 mm
·
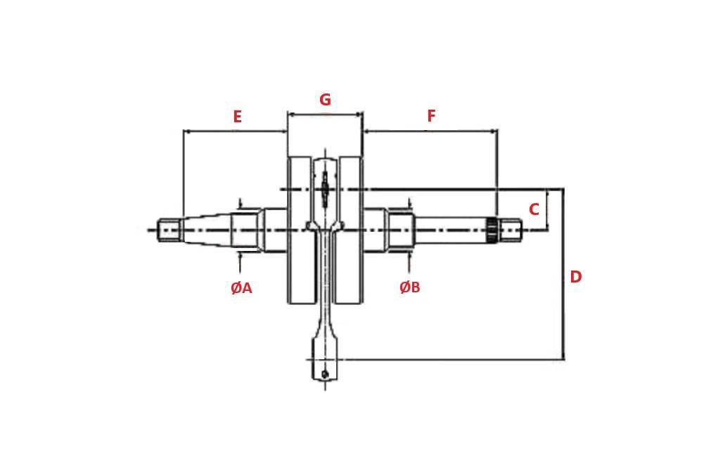
wymiary:
a - 25,00 mm
b - 25,00 mm
c - 23,35 mm
d - 105,00 mm
e - 63,00 mm
f - 59,95 mm
g - 57,80 mm
·
wyprodukowana
według standardów jakości iso
zastosowanie: yamaha dt125, dtr125, tzr125,
sachs xtc125 szczegóły w zakładce „pasuje
do” i tabelce poniżej
jasil to portugalska firma zajmująca się obróbką metali,
której główną działalnością jest produkcja części i akcesoriów do motocykli i
skuterów. 70 lat doświadczenia oraz dążenie do doskonałości, jest efektem
stałych inwestycji w nowe technologie, rozwój nowych produktów, dbałość o
jakość z koncentracją na końcowym odbiorcy
Wał Korbowy 16mm Top Racing Yamaha Dtr 125
Specyfikacja
SKUL2911
KategoriaWały kardana do motocykli
Podmiot odpowiedzialny / do pobrania
Motor-Land Spółka z ograniczoną odpowiedzialnością
Motor-Land Spółka z ograniczoną odpowiedzialnością
Kolejowa 362/364, 05-092 Dziekanów Nowy (PL)
Ładowanie opinii...











